Өнімдер
12 кВ сыртқы полюске орнатылған ажыратқыш
  • 12 кВ сыртқы полюске орнатылған ажыратқыш12 кВ сыртқы полюске орнатылған ажыратқыш
  • 12 кВ сыртқы полюске орнатылған ажыратқыш12 кВ сыртқы полюске орнатылған ажыратқыш
  • 12 кВ сыртқы полюске орнатылған ажыратқыш12 кВ сыртқы полюске орнатылған ажыратқыш

12 кВ сыртқы полюске орнатылған ажыратқыш

Model:ZW20-12F
Anqiang Power - 12 кВ сыртқы полюске орнатылған автоматты ажыратқыштарды шығаратын қытайлық өндіруші. Бұл сыртқы полюске орнатылған қуат тарату жабдығы номиналды кернеуі 12 кВ және үш фазалы айнымалы ток 50 Гц жұмыс істейді. Бөлу автоматтандыру жүйелерінің талаптарына жауап беретін контроллермен бірге пайдаланған кезде оның тамаша қайта жабу мүмкіндіктері бар. Ол негізінен 10кВ электр жүйелеріндегі жүктеме токтарын және қысқа тұйықталу токтарын қосу және өшіру үшін қолданылады және қосалқы станциялар мен өнеркәсіптік және тау-кен кәсіпорындарының тарату жүйелерінде қолданылады.

Anqiang шығарған ZW20-12F 12КВ сыртқы полюске орнатылған автоматты ажыратқыш вакуумдық ажыратқыш, қайта жабу және секциялаушы функцияларын біркелкі біріктіреді.  Оның жабдық корпусы Toshiba VSP5 құрылғысының газбен жабылған, жарылысқа төзімді және оқшаулау құрылымы технологиясын пайдаланады. Тығыздау өнімділігін арттыру үшін кіріс және шығыс желі құбырлары да жетілдірілді. Серіппелі жұмыс механизмі кішірейтілген, ал негізгі тізбектің контактіге төзімділігі төмен. Сондықтан бұл сыртқы жоғары вольтты автоматты ажыратқыш техникалық қызмет көрсетуді қажет етпейтін өнім және полюсте орнатылған автоматты ажыратқыштар үшін таңдаулы таңдау болып табылады.

Өнімнің нақты фотосуреттері

12KV Outdoor Pole Mounted Circuit Breaker

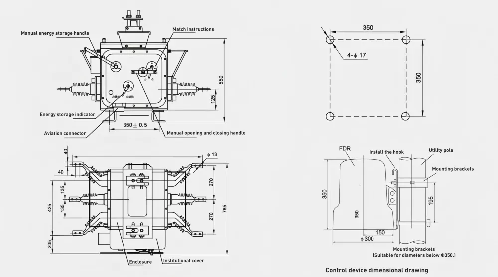
Өнім өлшемдерінің диаграммасы

12KV Outdoor Pole Mounted Circuit Breaker

Техникалық параметрлер

Жоба

Параметр мәні

Номиналды кернеу

12кВ

Номиналды жиілік

50Гц

Номиналды ток

630/1000 А

Номиналды қысқа тұйықталу тогы

20/25 кА

Номиналды шыңға төзімді ток

50/63 кА

Номиналды қысқа уақытқа төзімді ток

20/25 кА

Номиналды қысқа тұйықталу тогы

50/63 кА

Номиналды жұмыс реттілігі

Ашу – 0,3 секунд – Жабу – 180 секунд – Ашу – Жабу

Механикалық өмір

10 000 рет

Номиналды токтың үзілу циклдері

10 000 рет

Номиналды қысқа тұйықталуды ажырату қабілеті

30 рет

SF6 газдың номиналды қысымы

0Мпа


Өнімнің артықшылықтары

Бұл 12 кВ сыртқы полюске орнатылған автоматты ажыратқышта шамадан тыс ток қорғанысы және механизм серіппелі энергиясын сақтау индикаторы бар.  Ол сондай-ақ интеллектуалды контроллерлермен интеграцияны жеңілдететін қайталама электр қосылымдары үшін авиациялық қосқышпен жабдықталған. Оның тамаша электрлік және механикалық өнімділігі ZW20-12F сыртқы полюске орнатылған вакуумдық ажыратқышты кеңінен қолдануға мүмкіндік береді.


Hot Tags: 12 кВ сыртқы полюске орнатылған ажыратқыш, сыртқы электр сөндіргіш, жоғары вольтты ажыратқыш өндіруші
Сұрау жіберу
Байланыс ақпараты
  • Мекенжай

    Цзиньлу өнеркәсіптік аймағы, Бейбайсян қаласы, Юэцин қаласы, Вэнчжоу қаласы, Чжэцзян провинциясы, Қытай

  • Тел

  • Электрондық пошта

    john@chaqele.com

Ажыратқыш, жүктеме қосқышы, ажыратқыш қосқыш немесе бағалар тізімі туралы сұраулар үшін бізге электрондық поштаңызды қалдырыңыз, біз 24 сағат ішінде байланысамыз.
X
Біз cookie файлдарын сізге жақсырақ шолу тәжірибесін ұсыну, сайт трафигін талдау және мазмұнды жекелендіру үшін пайдаланамыз. Осы сайтты пайдалану арқылы сіз cookie файлдарын пайдалануымызға келісесіз. Құпиялылық саясаты
Қабылдамау Қабылдау